Quartz 4

Home

❯

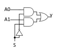
Multiplexer

Multiplexer

May 02, 20260 min read

  • uni/EmbeddedSystems


Graph View

Backlinks

  • Boolische Logik
  • Embedded Auswendig lernen

Created with Quartz v4.5.1 © 2026

  • GitHub
  • Discord Community